2004 Chevy Trailblazer Stereo Wiring Diagram

Vt Commodore Ignition Wiring Diagram, Complete Wiring Diagrams For Holden Commodore VT, VX, VY, VZ, VE, VF, 5.36 MB, 03:54, 32,796, John Amahle, 2018-08-01T19:37:41.000000Z, 19, Vt Commodore Ignition Wiring Diagram, to-ja-to-ty-to-my-to-nasz-swiat.blogspot.com, 1272 x 1800, jpeg, bcm pcm 12j swiat nasz, 20, vt-commodore-ignition-wiring-diagram, Anime Arts
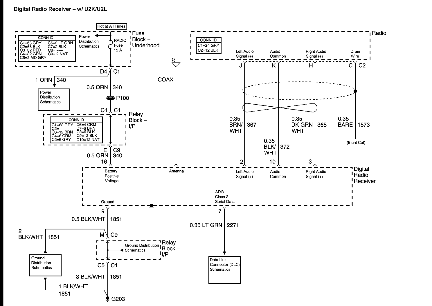
Here are the factory wire colors. 2004 chevrolet trailblazer car stereo radio wiring diagram car radio constant 12v+ wire: Orange car radio switched 12v+ wire: 4. 2l vin s, engine performance wiring diagram (3 of 5) for chevrolet trailblazer 2004.
Here are the factory wire colors. 2004 chevrolet trailblazer car stereo radio wiring diagram car radio constant 12v+ wire: Orange car radio switched 12v+ wire: Yellow car radio ground. 2008 chevy silverado stereo wiring diagram. Trailblazer hose chevy diagram heater vortec engine envoy gmc 2008 where ss connect does vivi roger. Ranger trailblazer kdc 2007 aswc. 2004 chevy trailblazer stereo wiring diagram. Print the electrical wiring diagram off in addition to use highlighters to trace the routine.
25 2004 Chevy Trailblazer Radio Wiring Diagram - Wiring Database 2020

Stereo Wiring Diagram For 2004 Chevy Trailblazer – 36guide-ikusei.net

Radio Wiring Diagram For 2004 Chevy Trailblazer - Its Just For Me And My Hairstyles Ideas
Stereo Wiring Diagram For 2004 Chevy Trailblazer - WIRGRAM

20 Unique 2004 Chevy Trailblazer Stereo Wiring Diagram
2004 Chevy Trailblazer Wiring Diagram For Wires From Center Console To Back Distribution Box

20 Unique 2004 Trailblazer Stereo Wiring Diagram
31 2004 Chevy Trailblazer Radio Wiring Diagram - Wiring Diagram List
2004 Chevy Trailblazer Stereo Wiring Diagram - Database - Wiring Diagram Sample
